Teac | [소식] 티악 N 코어 모듈 탑재 파워앰프 AP-505 발매
관련링크
본문
티악(Teac)은 레퍼런스(Reference) 시리즈의 신제품으로 N코어(Ncore) 모듈을 탑재한 파워앰프 ‘AP-505’를 6월에 발매할 예정이다.
AP-505는 A4 크기의 컴팩트한 케이스를 사용하며, 실용 최대 출력 130W×2(4Ω), BTL 연결 시 250W×1(8Ω)의 고출력을 제공하는 스테레오 파워앰프. 전면에는 대형 레벨 미터와 음질을 고려한 3점 지지 방식의 핀 포인트 풋을 특징으로 한다.
▲ 티악 파워앰프 AP-505
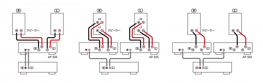
파워앰프 부에는 능률과 음질에 정평이 있는 네델란드 하이펙스(Hypex)의 N코어 모듈을 튜닝하여 탑재한다. 모드 전환을 통해 스테레오 동작 외에도 바이앰프 연결과 브리지(BTL) 연결 등이 가능하다. 프리앰프, 파워앰프 부의 전 단계에서 풀 밸런스 전송을 채용한다. 노이즈를 제거하고 우수한 S/N 비를 통해 고음질 신호전송이 가능하다.
▲ AP-505는 3가지 작동모드를 제공한다. 좌로부터 스테레오, 바이앰프, 브릿지모드
프런트 엔드에는 고품질 ‘MUSES 8820E’를 RCA/XLR 두 입력 회로에 사용한다. 입력단의 전원부는 좌우의 정류회로를 전원 트랜스 출력에서 완전히 분리했으며, 4,700μF 용량의 캐패시터를 각 채널에 4개 총 8개를 탑재하여 이상적인 전원 평활회로를 실현했다. 또한 XLR 입력에 커플링 콘덴서를 배제한 고음질 회로를 채택했다.
입력버퍼는 대용량 트로이달 코어 트랜스, 정류 회로에는 쇼트키 배리어 다이오드(SBD)를 채용했다. 이를 통해 정류 노이즈의 발생을 억제하여 깨끗하고 안정된 전원을 각 섹션에 공급한다.
▲ AP-505에는 N코어 모듈을 탑재한다.
전면 패널에는 오디오 신호의 레벨에 맞춰 동작하는 대형 레벨미터를 탑재한다. 4단계 조광 설정 외에도 레벨 미터의 작동을 끄거나 2단계의 감도전환을 통해 레벨미터를 사용자의 취향대로 정의할 수 있다. 레벨미터를 사용하지 않더라도 전원의 On/Off를 확인할 수 있도록 토글 전원 스위치를 채택했다.
▲ AP-505는 전면에 대형 레벨미터를 제공한다.
안정된 접지가 가능한 3점 지지 방식의 핀 포인트 풋을 채용한다. 스파이크 모양과 풋 본체와 절구 모양의 접시를 가진 풋 기반이 일체화 된 티악의 오리지널 구조로 소리의 윤곽을 돋보이게 하고 분해능과 음상 정위의 향상을 실현했다. 외장은 알루미늄 재질의 견고한 스틸 섀시를 사용한다.
▲ AP-505 후면
실용 최대 출력은 130W×2(4Ω/스테레오 바이 앰프 시), 250W×1(8Ω/BTL 시). 전 고조파 왜율은 0.0015%, S/N 비 113dB, 주파수 특성은 10Hz~50kHz.
입력단자는 XLR(2번 HOT)와 RCA 각 1계통을 제공한다. 스피커 터미널은 AWG8 대응 나사식 단자. 적합 임피던스는 4~16Ω(스테레오 바이앰프 시), 8~16Ω(BTL 시).
소비전력 106W(대기 시 0.1W 이하). 크기 290×271×84.5mm. 무게 4.4kg. 풋 쿠션과 전원 케이블을 제공한다.
AP-505의 가격은 오픈 프라이스, 색상은 블랙과 실버의 2종류를 제공한다.

관련상품
관련상품
등록된 상품이 없습니다.
댓글목록
등록된 댓글이 없습니다.
